Search
Close
Use our AI assistant
Products
Fittings
Valves
High Pressure Valves - HYDRO-BALL®
Offshore Valves, Oil & Gas
CNC machined parts
Hydrogen products
All products
About us
Quality & Services
Norms & Standards
Terms
Contact
Back
Product inquiry
Send us your request and we will get back to you shortly
Efterlad følgende felt tom
Tjekker
product inquiry
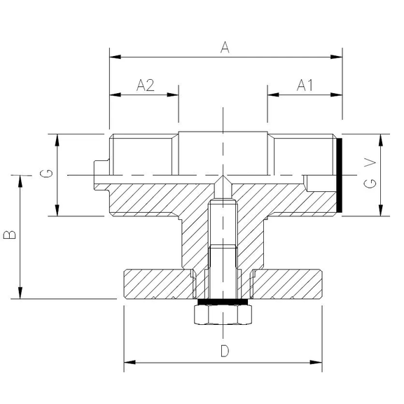
5200-23-B Tee with control flange
Specifications
Item number:
A
A1
A2
B
Thread G
Thread G L
Dia. of flange
5200-23-B
49,0
14,0
14,0
25,0
3/8
3/8
40,0
About the product
Tee with control flange with parallel thread.
GV = left thread
Delivered with flange gasket.
Max. working pressure: 64 bar
Usable in the temperature range: 0°C to +120°C.