Search
Close
Use our AI assistant
Products
Fittings
Valves
High Pressure Valves - HYDRO-BALL®
Offshore Valves, Oil & Gas
CNC machined parts
Hydrogen products
All products
About us
Quality & Services
Norms & Standards
Terms
Contact
Back
Product inquiry
Send us your request and we will get back to you shortly
Efterlad følgende felt tom
Tjekker
product inquiry
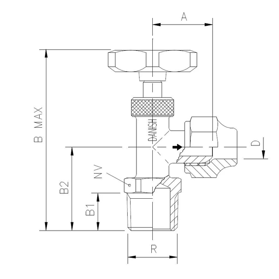
5100-49 Needle valve with flare
Specifications
Item number:
VVS code xxx
A
HEX
Thread R
B1
Tube O.D. D mm
B2
B max
5100-49 10x1/2
042
25,5
22
1/2
16,0
10
32,5
83
About the product
Needle valve with flare (cobber) with pipe thread.
Delivered with nitril o-ring og nut 41F.