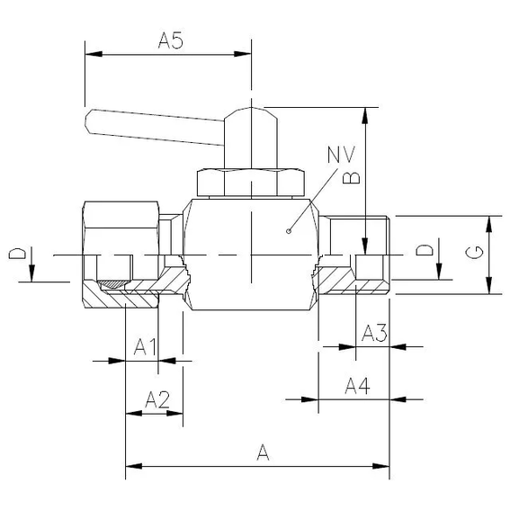
| Item number: | A | A1 | HEX | A2 | B | A3 | A4 | Thread G | Tube O.D. D | A5 |
|---|---|---|---|---|---|---|---|---|---|---|
| 6643 6x1/8 | 41,0 | 9,0 | 18 | 9,0 | 26,0 | 9,0 | 10,0 | 1/8 | 6 | 30,5 |
| 6643 8x1/8 | 42,5 | 10,0 | 18 | 11,0 | 26,0 | 10,0 | 10,0 | 1/8 | 8 | 30,5 |
| 6643 6x1/4 | 41,5 | 9,0 | 18 | 9,0 | 26,0 | 9,0 | 11,0 | 1/4 | 6 | 30,5 |
| 6643 8x1/4 | 44,0 | 10,0 | 18 | 11,0 | 26,0 | 10,0 | 11,0 | 1/4 | 8 | 30,5 |
| 6643 10x1/4 | 46,0 | 11,0 | 18 | 13,0 | 26,0 | 11,0 | 11,0 | 1/4 | 10 | 30,5 |
| 6643 8x1/8 | 46,0 | 10,0 | 18 | 11,0 | 26,0 | 10,0 | 13,0 | 3/8 | 8 | 30,5 |
| 6643 10x3/8 | 48,0 | 11,0 | 18 | 13,0 | 26,0 | 11,0 | 13,0 | 3/8 | 10 | 30,5 |