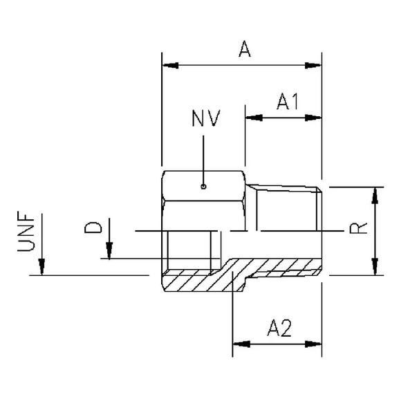
| Item number: | Tube O.D. D mm/inch. | A | A1 | HEX | Thread UNF | Thread R | A2 |
|---|---|---|---|---|---|---|---|
| 147F 5** | 5 (3/16) | 18,5 | 9,5 | 11 | 3/8-24 | 1/8 | 11,7 |
| 147F 6 | 6 (1/4) | 20,5 | 10,5 | 13 | 7/16-20 | 1/4 | 12,7 |
| 147F 8** | 8 (5/16) | 21,5 | 11,0 | 15 | 1/2-20 | 1/4 | 14,0 |
| 147F 15** | 15 | 34,0 | 17,0 | 26 | 7/8-14 | 1/2 | 18,2 |
| 147F 16** | 16 (5/8) | 34,0 | 17,5 | 26 | 7/8-14 | 1/2 | 18,0 |
Connector with female UNF thread and male pipe thread.
** On request.