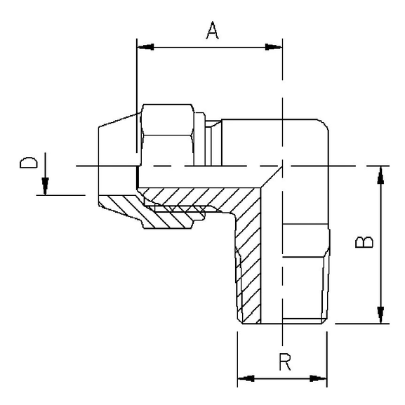
| Item number: | Tube O.D. D mm/inch. | VVS code xxx | A | Thread R | B |
|---|---|---|---|---|---|
| 49F 5x1/8 | 5 (3/16) | 005 | 19,0 | 1/8 | 21,5 |
| 49F 6x1/8 | 6 (1/4) | 006 | 19,0 | 1/8 | 24,5 |
| 49F 6x1/4 | 6 (1/4) | 102 | 19,0 | 1/4 | 24,5 |
| 49F 6x3/8 | 6 (1/4) | 103 | 23,0 | 3/8 | 28,5 |
| 49F 8x1/8** | 8 (5/16) | 104 | 19,0 | 1/8 | 18,5 |
| 49F 8x1/4 | 8 (5/16) | 107 | 20,5 | 1/4 | 22,5 |
| 49F 8x3/8 | 8 (5/16) | 108 | 22,5 | 3/8 | 24,5 |
| 49F 10x1/4 | 10 (3/8) | 114 | 23,5 | 1/4 | 24,5 |
| 49F 10x3/8 | 10 (3/8) | 116 | 23,0 | 3/8 | 26,0 |
| 49F 10x1/2 | 10 (3/8) | 118 | 26,0 | 1/2 | 29,5 |
| 49F 12x1/4** | 12 (1/2) | 128 | 26,0 | 1/4 | 29,5 |
| 49F 15x1/2** | 15 | - | 30,0 | 1/2 | - |
| 49F 16x1/2 | 16 (5/8) | - | 30,0 | 1/2 | - |