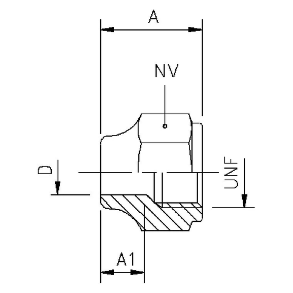
| Item number: | Tube O.D. D mm/inch. | VVS code xxx | A | A1 | HEX | Thread UNF |
|---|---|---|---|---|---|---|
| 41F 5** | 5 (3/16) | 005 | 14,0 | 3,5 | 14 | 3/8-24 |
| 41F 6 | 6 (1/4) | 006 | 16,0 | 6,8 | 16 | 7/16-20 |
| 41F 8 | 8 (5/16) | 008 | 18,0 | 7,8 | 18 | 1/2-20 |
| 41F 10 | 10 (3/8) | 010 | 22,0 | 8,5 | 22 | 5/8-18 |
| 41F 12 | 12 (1/2) | 012 | 25,0 | 10,0 | 26 | 3/4-16 |
| 41F 15** | 15 | 015 | 25,0 | 9,2 | 28 | 7/8-14 |
| 41F 16** | 16 (5/8) | 016 | 25,0 | 9,0 | 28 | 7/8-14 |