Search
Close
Use our AI assistant
Products
Fittings
Valves
High Pressure Valves - HYDRO-BALL®
Offshore Valves, Oil & Gas
CNC machined parts
Hydrogen products
All products
About us
Quality & Services
Norms & Standards
Terms
Contact
Back
Product inquiry
Send us your request and we will get back to you shortly
Efterlad følgende felt tom
Tjekker
product inquiry
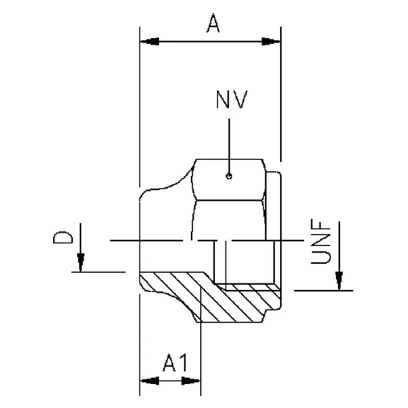
41FR Heavy nut with reduction
Specifications
Item number:
A
A1
HEX
Thread UNF
Tube O.D. D mm
41FR 6-5
16,0
6,8
16
7/16-20
6-5
41FR 8-5
18,0
7,8
18
1/2-20
8-5
41FR 8-6
18,0
7,8
18
1/2-20
8-6
41FR 10-8
22,0
8,5
22
5/8-18
10-8
41FR 12-10
25,0
10,0
26
3/4-16
12-10
About the product
Heavy nut with reduction and with UNF thread.