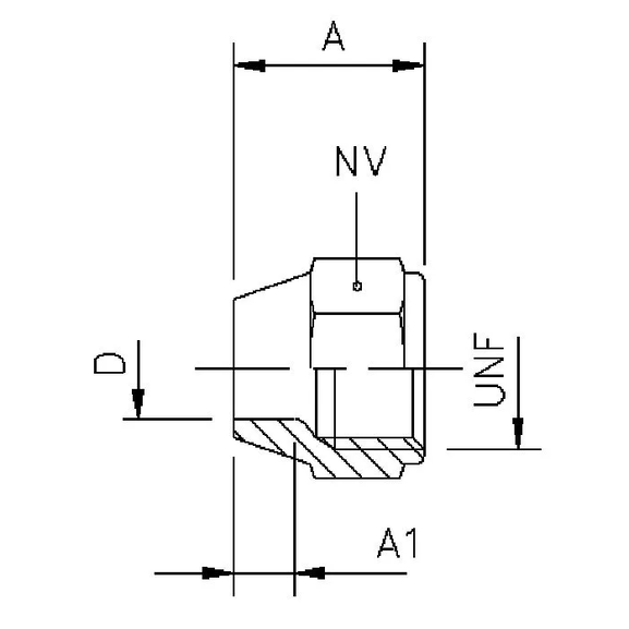
| Item number: | Tube O.D. D mm/inch. | VVS code xxx | A | A1 | HEX | Thread UNF |
|---|---|---|---|---|---|---|
| 41FS 5 | 5 (3/16) | 005 | 12,0 | 3,2 | 11 | 3/8-24 |
| 41FS 6 | 6 (1/4) | 006 | 13,0 | 3,2 | 15 | 7/16-20 |
| 41FS 8 | 8 (5/16) | 008 | 15,0 | 5,0 | 15 | 1/2-20 |
| 41FS 10 | 10 (3/8) | 010 | 18,0 | 5,0 | 18 | 5/8-18 |
| 41FS 12 | 12 (1/2) | 012 | 22,0 | 7,8 | 22 | 3/4-16 |
| 41FS 15 | 15 | 015 | 25,0 | 9,2 | 26 | 7/8-14 |
| 41FS 16 | 16 (5/8) | 016 | 25,0 | 9,0 | 26 | 7/8-14 |