Search
Close
Use our AI assistant
Products
Fittings
Valves
High Pressure Valves - HYDRO-BALL®
Offshore Valves, Oil & Gas
CNC machined parts
Hydrogen products
All products
About us
Quality & Services
Norms & Standards
Terms
Contact
Back
Product inquiry
Send us your request and we will get back to you shortly
Efterlad følgende felt tom
Tjekker
product inquiry
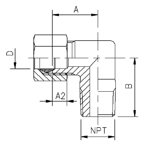
69F Nipple elbow with NPT thread (inch)
Specifications
Item number:
A
A2
Thread NPT
B
Tube O.D. D inch.
69F 5/16x1/4N
16,5
5,5
1/4N
22,5
5/16
69F 1/4x1/8N**
16,5
5,5
1/8N
22,5
1/4
69F 1/4x1/4N
17,5
5,5
1/4N
23,0
1/4
69F 3/8x1/4N**
21,0
6,0
1/4N
22,5
3/8
About the product
Nipple elbow with sleeve and nut for pipe in inches with NPT thread.
** On request.