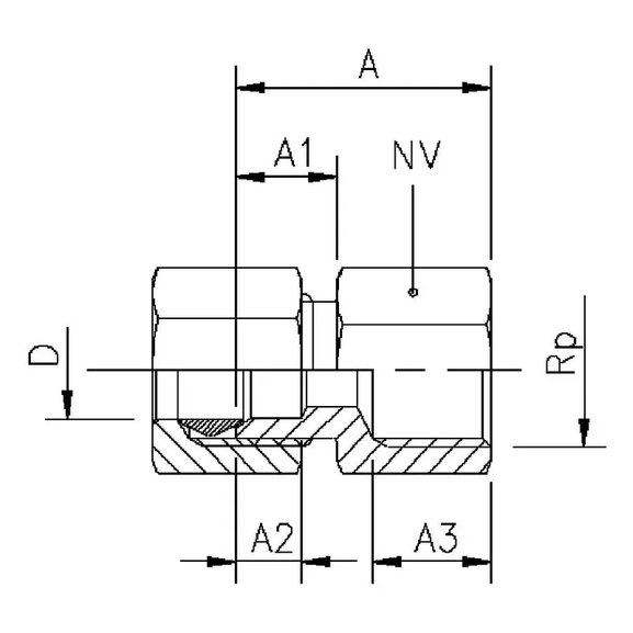
| Item number: | VVS code xxx | A | A1 | HEX | A2 | Thread Rp | Tube O.D. D mm | A3 |
|---|---|---|---|---|---|---|---|---|
| 66F 4x1/8 | 100 | 18,0 | 7,0 | 12 | 5,0 | 1/8 | 4 | 8,0 |
| 66F 5x1/8 | 005 | 18,5 | 7,5 | 12 | 5,0 | 1/8 | 5 | 8,0 |
| 66F 5x1/4 | 101 | 20,5 | 7,5 | 15 | 5,0 | 1/4 | 5 | 10,0 |
| 66F 6x1/8 | 006 | 19,0 | 8,0 | 12 | 5,5 | 1/8 | 6 | 8,0 |
| 66F 6x1/4 | 102 | 21,0 | 8,0 | 15 | 5,5 | 1/4 | 6 | 10,0 |
| 66F 6x3/8 | 105 | 22,0 | 8,0 | 19 | 5,5 | 3/8 | 6 | 11,0 |
| 66F 6x1/2 | 106 | 23,0 | 8,0 | 24 | 5,5 | 1/2 | 6 | 12,0 |
| 66F 8x1/8 | 104 | 19,5 | 8,0 | 13 | 5,5 | 1/8 | 8 | 8,0 |
| 66F 8x1/4 | 107 | 21,5 | 8,5 | 15 | 5,5 | 1/4 | 8 | 10,0 |
| 66F 8x3/8 | 108 | 22,5 | 8,5 | 19 | 5,5 | 3/8 | 8 | 11,0 |
| 66F 10x1/4 | 010 | 22,0 | 9,0 | 15 | 6,0 | 1/4 | 10 | 10,0 |
| 66F 10x3/8 | 116 | 23,0 | 9,0 | 19 | 6,0 | 3/8 | 10 | 11,0 |
| 66F 10x1/2 | 118 | 24,0 | 9,0 | 24 | 6,0 | 1/2 | 10 | 12,0 |
| 66F 12x1/4 | 127 | 23,5 | 10,5 | 18 | 7,0 | 1/4 | 12 | 10,0 |
| 66F 12x3/8 | 012 | 24,5 | 10,5 | 19 | 7,0 | 3/8 | 12 | 11,0 |
| 66F 12x1/2 | 132 | 25,5 | 10,5 | 24 | 7,0 | 1/2 | 12 | 12,0 |
| 66F 15x3/8** | - | 25,5 | 11,5 | - | 8,0 | 3/8 | 15 | 11,0 |
| 66F 15x1/2 | 015 | 26,5 | 11,5 | 24 | 8,0 | 1/2 | 15 | 12,0 |
| 66F 16x1/2 | 189 | 26,5 | 11,5 | 24 | 8,0 | 1/2 | 16 | 12,0 |