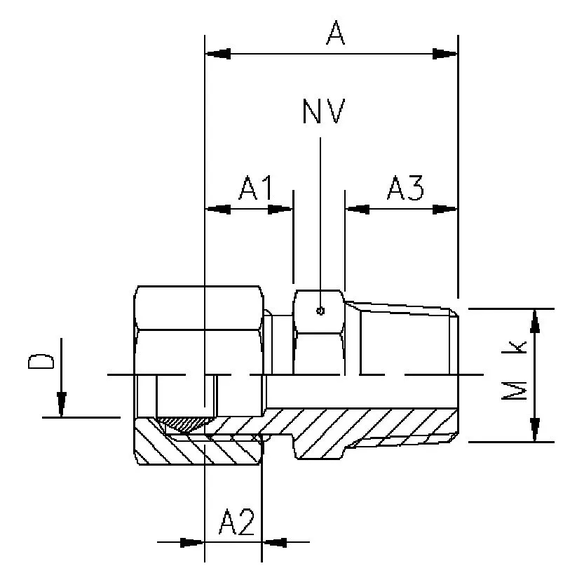
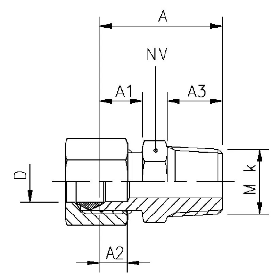
| Item number: | A | A1 | HEX | A2 | Tube O.D. D mm | A3 | Metric thread M |
|---|---|---|---|---|---|---|---|
| 68F 3xM6x1 | 19,5 | 7,0 | 8 | 5,0 | 3 | 7,5 | M6x1 |
| *68F 4xM10x1 | 22,0 | 7,0 | 11 | 5,0 | 4 | 10,0 | M10x1 |
| 68F 4xM6x1 | 19,5 | 7,0 | 8 | 5,0 | 4 | 7,5 | M6x1 |
| 68F 4xM8x1 | 19,5 | 7,0 | 10 | 5,0 | 4 | 7,5 | M8x1 |
| 68F 5xM6x1 | 20,0 | 7,5 | 10 | 5,0 | 5 | 7,5 | M6x1 |
| 68F 6xM10x1 | 20,5 | 8,0 | 11 | 5,5 | 6 | 7,5 | M10x1 |
| 68F 6xM6x1 | 20,5 | 8,0 | 11 | 5,5 | 6 | 7,5 | M6x1 |
| 68F 6xM8x1 | 20,5 | 8,0 | 11 | 5,5 | 6 | 7,5 | M8x1 |
| 68F 8xM10x1 | 21,0 | 8,5 | 13 | 5,5 | 8 | 7,5 | M10x1 |
| 68F 8xM6x1 | 21,0 | 8,5 | 13 | 5,5 | 8 | 7,5 | M6x1 |
| 68F 8xM8x1 | 21,0 | 8,5 | 13 | 5,5 | 8 | 7,5 | M8x1 |