Search
Close
Use our AI assistant
Products
Fittings
Valves
High Pressure Valves - HYDRO-BALL®
Offshore Valves, Oil & Gas
CNC machined parts
Hydrogen products
All products
About us
Quality & Services
Norms & Standards
Terms
Contact
Back
Product inquiry
Send us your request and we will get back to you shortly
Efterlad følgende felt tom
Tjekker
product inquiry
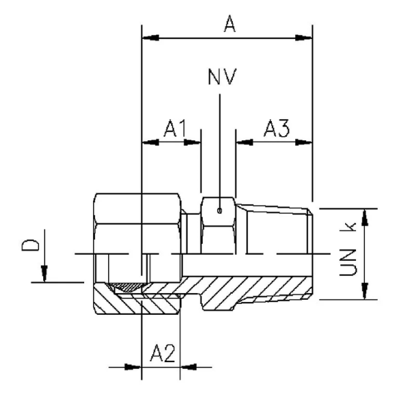
68F Nipple with UNk thread
Specifications
Item number:
A
A1
HEX
A2
Tube O.D. D mm
A3
Pipe thread UN
68F 5x1/4-28
20,0
7,5
10
5,0
5
7,5
1/4x28
68F 6x1/4-28
20,5
7,5
11
5,0
6
8,0
1/4x28
68F 8x1/4-28
21,0
7,5
13
5,5
8
8,5
1/4x28
About the product
68F Nipple with UNk thread (American Standard thread).
** On request.