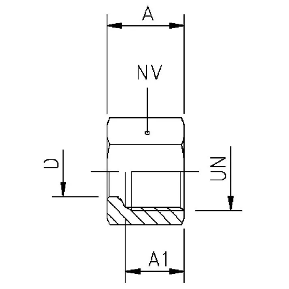
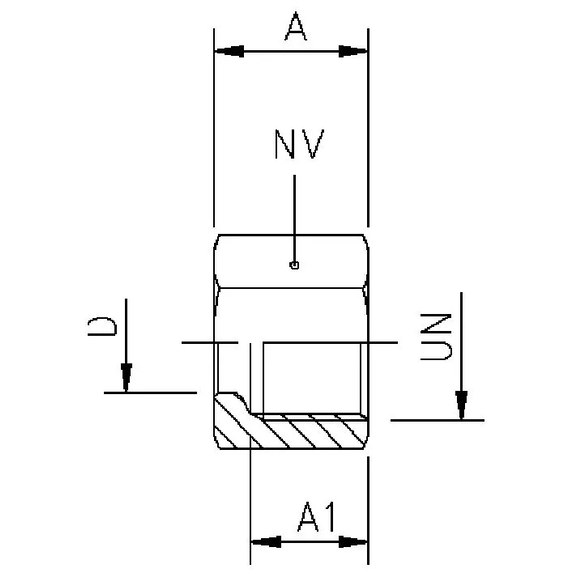
| Item number: | A | A1 | HEX | Tube O.D. D inch. | Thread UN |
|---|---|---|---|---|---|
| 61F 5/16 | 12,5 | 9,5 | 15 | 5/16 | 1/2-24 |
| 61F 3/16 | 9,5 | 7,0 | 11 | 3/16 | 3/8-24 |
| 61F 1/4 | 10,5 | 7,5 | 13 | 1/4 | 7/16-24 |
| 61F 1/8 | 8,5 | 6,0 | 9 | 1/8 | 5/16-24 |
| 61F 3/8 | 11,5 | 8,5 | 17 | 3/8 | 9/16-24 |
| 61F 1/2 | 13,0 | 9,5 | 20 | 1/2 | 11/16-20 |
| 61F 5/8 | 16,0 | 12,5 | 23 | 5/8 | 13/16-18 |
| 61F 3/4 | 16,5 | 13.0 | 18 | 3/4 | 1-18 |