Search
Close
Use our AI assistant
Products
Fittings
Valves
High Pressure Valves - HYDRO-BALL®
Offshore Valves, Oil & Gas
CNC machined parts
Hydrogen products
All products
About us
Quality & Services
Norms & Standards
Terms
Contact
Back
Product inquiry
Send us your request and we will get back to you shortly
Efterlad følgende felt tom
Tjekker
product inquiry
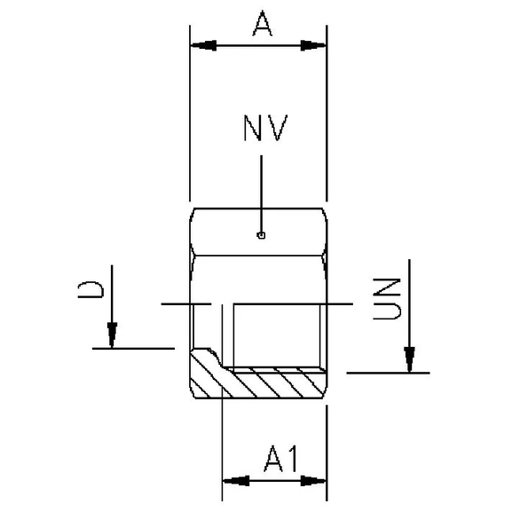
61F S Heavy nut
Specifications
Item number:
A
A1
HEX
Tube O.D. D mm
Thread UN
61F S 8 s
12,5
9,5
17
8 s
1/2-24
61F S 6 s
11,5
7,5
16
6 s
7/16-24
61F S 10 s
11,8
8,5
20
10 s
9/16-24
61F S 12 s
13,0
9,5
22
12 s
11/16-20
About the product
Heavy nut for pipe in mm with UN thread.