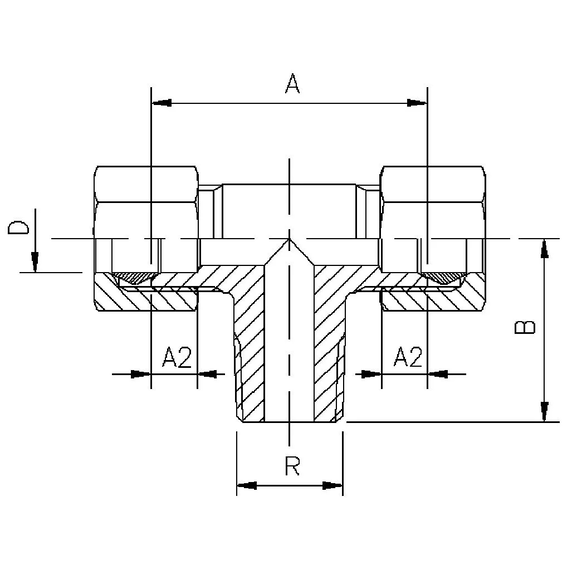
| Item number: | VVS code xxx | A | Thread R | A2 | B | Tube O.D. D mm |
|---|---|---|---|---|---|---|
| 72F 5x1/8 | 005 | 32,0 | 1/8 | 5,5 | 18,5 | 5 |
| 72F 6x1/8 ** | 006 | 33,0 | 1/8 | 5,5 | 18,5 | 6 |
| 72F 6x1/4 | 102 | 33,0 | 1/4 | 5,5 | 20,0 | 6 |
| 72F 8x1/8 | 104 | 32,0 | 1/8 | 5,5 | 17,5 | 8 |
| 72F 10x1/4 ** | 010 | 41,0 | 1/4 | 6,0 | 26,0 | 10 |
| 72F 12x3/8 ** | 012 | 39,0 | 3/8 | 7,0 | 22,5 | 12 |
| 72F 15x3/8 ** | 166 | 48,5 | 3/8 | 8,0 | 28,0 | 15 |
| 72F 15x1/2 ** | 015 | 48,5 | 1/2 | 8,0 | 31,5 | 15 |
| 72F 16x1/2 ** | - | 49,0 | 1/2 | 8,0 | - | 16 |