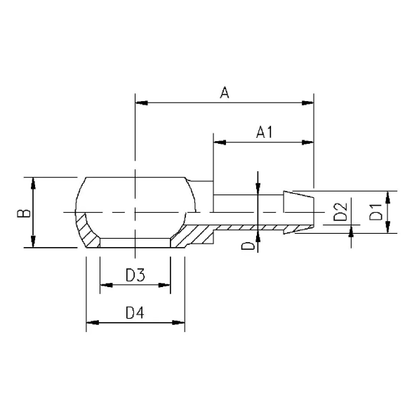
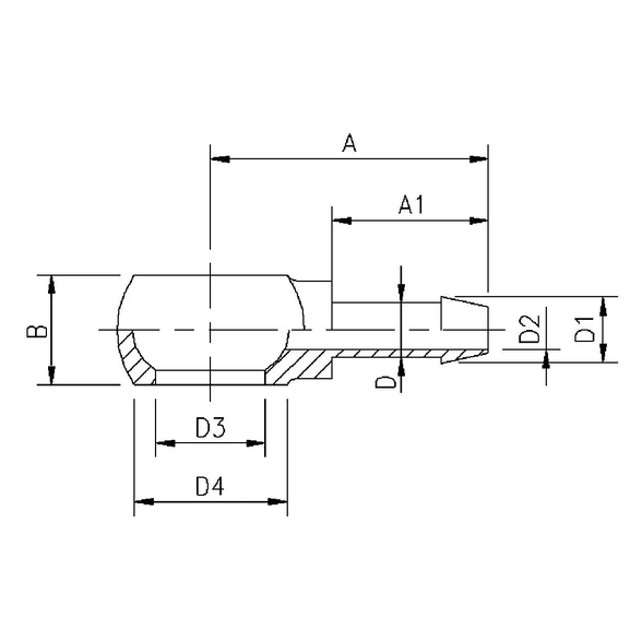
| Item number: | A | A1 | B | Dia. D1 | Dia D. | Hose I.D. mm | Hose I.D. inch. | Dia. D2 | Dia. D3 | Dia. D4 | Bore Ø mm |
|---|---|---|---|---|---|---|---|---|---|---|---|
| 887622 4xØ8 | 30,5 | 20,0 | - | 6,0 | 5,0 | 4 | - | 4,0 | 8,0 | 10,5 | Ø8 |
| 887622 6xØ10 | 31,5 | 20,0 | 10,0 | 8,5 | 7,0 | 6 | 1/4 | 5,0 | 10,0 | 13,5 | Ø10 |
| 887622 8xØ10 | 31,5 | 20,0 | 10,0 | 9,8 | 8,5 | 8 | 5/16 | 6,0 | 10,0 | 13,5 | Ø10 |
| 887622 6xØ12 | 33,0 | 20,0 | 12,0 | 8,5 | 7,0 | 6 | 1/4 | 5,0 | 12,0 | 16,5 | Ø12 |
| 887622 8xØ12 | 33,0 | 20,0 | 12,0 | 10,5 | 9,0 | 8 | 5/16 | 7,0 | 12,0 | 16,5 | Ø12 |
| 887622 6xØ14 | 35,5 | 20,0 | 14,0 | 8,5 | 7,0 | 6 | 1/4 | 5,0 | 14,0 | 20,0 | Ø14 |
| 887622 10xØ14 | 35,5 | 20,0 | 14,0 | 12,0 | 11,0 | 10 | 3/8 | 9,0 | 14,0 | 20,0 | Ø14 |
| 887622 6xØ17 | 39,0 | 20,0 | 16,0 | 8,5 | 7,0 | 6 | 1/4 | 5,0 | 17,0 | 24,0 | Ø17 |
| 887622 10xØ17 | 39,0 | 20,0 | 16,0 | 12,0 | 11,0 | 10 | 3/8 | 9,0 | 17,0 | 24,0 | Ø17 |
| 887622 16xØ18 | 41,0 | 20,0 | - | 16,0 | 15,0 | 16 | - | 13,0 | 18,0 | 27,0 | Ø18 |