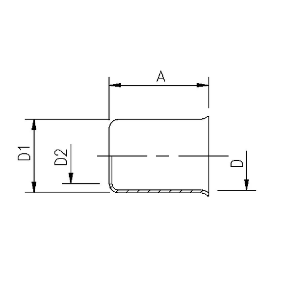
8815 Cap

Specifications

Item number: A Dia. D1 Dia D. Dia. D2 Size mm
8815 10 20,0 11,3 10,1 6,6 10
8815 12 20,0 13,3 12,1 8,8 12
8815 13 20,0 14,3 13,1 8,8 13
8815 14 20,0 15,3 14,1 11,0 14
8815 15 20,0 16,3 15,1 12,8 15
8815 16 20,0 17,4 16,1 12,8 16
8815 17 20,0 18,3 17,1 12,8 17
8815 18 20,0 19,3 18,1 12,8 18
8815 19 24,0 20,3 19,1 14,8 19
8815 20 24,0 21,3 20,1 14,8 20
8815 28 28,0 30,0 28,1 21,5 28
8815 30 34,0 31,7 30,1 23,5 30

About the product

Cap in zincplated steel.

Material: St. 14.03 zincplated.

Opposite to our other fittings, these caps are supplied in packs of 100 pieces (other quantities can be supplied following an extra charge)

Calculation of cap's size:
Male hose measure + 1 mm

* On request.