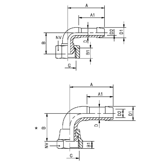
| Item number: | A | A1 | HEX | B | B1 | Thread G | Dia. D1 | Dia D. | Hose I.D. mm | Hose I.D. inch. | Dia. D2 |
|---|---|---|---|---|---|---|---|---|---|---|---|
| 1028B 1/8x6 | 31,5 | 20,0 | 12 | 16,0 | 8,0 | 1/8 | 7,4 | 6,4 | 6 | 1/4 | 4,0 |
| 1028B 1/4x5 | 34,0 | 20,0 | 15 | 15,5 | 8,5 | 1/4 | 7,0 | 6,0 | 5 | 3/16 | 4,0 |
| 1028B 1/4x6 | 30,5 | 20,0 | 15 | 19,5 | 8,5 | 1/4 | 8,0 | 7,0 | 6 | 1/4 | 4,1 |
| 1028B 1/4x8 | 34,0 | 20,0 | 15 | 17,5 | 8,5 | 1/4 | 9,5 | 7,0 | 8 | 5/16 | 5,5 |
| 1028B 1/4x10 * | 37,5 | 20,0 | 17 | 24,0 | 10,5 | 1/4 | 12,0 | 11,0 | 10 | 3/8 | 6,5 |
| 1028B 3/8x6 | 29,0 | 20,0 | 19 | 20,0 | 10,0 | 3/8 | 8,0 | 7,0 | 6 | 1/4 | 4,0 |
| 1028B 3/8x8 | 30,0 | 20,0 | 19 | 23,0 | 10,0 | 3/8 | 9,5 | 7,0 | 8 | 5/16 | 5,5 |
| 1028B 3/8x10 | 34,0 | 20,0 | 19 | 25,0 | 10,0 | 3/8 | 11,8 | 10,5 | 10 | 3/8 | 7,0 |
| 1028B 1/2x10 | 31,0 | 20,0 | 24 | 25,0 | 11,0 | 1/2 | 11,8 | 10,5 | 10 | 3/8 | 7,0 |
| 1028B 1/2x12 | 38,0 | 20,0 | 24 | 25,0 | 11,0 | 1/2 | 13,0 | 11,5 | 12 | 1/2 | 8,0 |