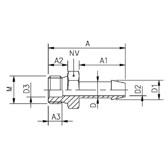
| Item number: | VVS code xxx | A | A1 | HEX | A2 | A3 | Metric thread M | Dia. D1 | Dia D. | Hose I.D. mm | Hose I.D. inch. | Dia. D2 | Dia. D3 |
|---|---|---|---|---|---|---|---|---|---|---|---|---|---|
| 8847 10x1x5 | - | 33,0 | 20,0 | - | 8,0 | 5,0 | 10x1 | 7,0 | 6,0 | 5 | 3/16 | 4,0 | 5,1 |
| 8847 16x1,5x8 | - | 33,0 | 20,0 | - | 8,0 | 6,0 | 12x1 | 10,5 | 9,0 | 8 | 5/16 | 8,0 | 7,0 |
| 8847 12x1,5x6 | 066 | 33,5 | 20,0 | 14 | 8,5 | 6,0 | 12x1,5 | 8,5 | 7,0 | 6 | 1/4 | 5,0 | 6,1 |
| 8847 14x1,5x6 | 096 | 33,5 | 20,0 | 16 | 8,5 | 5,0 | 14x1,5 | 8,9 | 7,0 | 6 | 1/4 | 5,0 | 8,1 |
| 8847 12x1x8 | - | 33,5 | 20,0 | - | 8,5 | 5,0 | 14x1,5 | 9,0 | 8,5 | 8 | 5/16 | 7,0 | 8,1 |
| 8847 16x1,5x6 | 126 | 35,5 | 20,0 | 18 | 10,0 | 6,5 | 16x1,5 | 8,5 | 7,0 | 6 | 1/4 | 5,0 | 10,1 |
| 8847 14x1,5x8 | - | 35,5 | 20,0 | - | 10,0 | 6,5 | 16x1,5 | 10,5 | 9,0 | 8 | 5/16 | 7,0 | 10,1 |
| 8847 16x1,5x10 | - | 35,5 | 20,0 | - | 10,0 | 6,5 | 16x1,5 | 12,5 | 11,0 | 10 | 3/8 | 9,0 | 10,1 |
| 8847 18x1,5x8 | 008 | 36,5 | 20,0 | 20 | 10,5 | 7,0 | 18x1,5 | 10,5 | 9,0 | 8 | 5/16 | 7,0 | 12,1 |
| 8847 18x1,5x10 | - | 36,5 | 20,0 | - | 10,5 | 7,0 | 18x1,5 | 12,5 | 11,0 | 10 | 3/8 | 9,0 | 12,1 |
| 8847 18x1,5x12 | - | 37,5 | 21,0 | - | 10,5 | 7,0 | 18x1,5 | 14,5 | 13,0 | 12 | 1/2 | 11,0 | 12,1 |
| 8847 22x1,5x10 | 010 | 38,5 | 20,0 | 24 | 12,0 | 8,0 | 22x1,5 | 12,5 | 11,0 | 10 | 3/8 | 9,0 | 14,1 |
| 8847 22x1,5x12 | - | 39,5 | 21,0 | - | 12,0 | 8,0 | 22x1,5 | 14,5 | 13,0 | 12 | 1/2 | 11,0 | 14,1 |
| 8847 22x1,5x16 | - | 45,0 | 24,5 | - | 12,0 | 8,0 | 22x1,5 | 18,0 | 16,0 | 16 | 5/8 | 13,0 | 14,1 |
| 8847 8x1x8 | 006 | 30,0 | 20,0 | 10 | 6,5 | 5,0 | 8x1 | 8,5 | 7,0 | 6 | 1/4 | 5,0 | 5,1 |