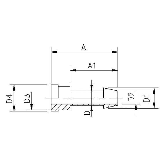
| Item number: | A | A1 | Dia. D1 | Dia D. | Code no. | Hose I.D. mm | Hose I.D. inch. | Dia. D2 | Dia. D3 | Dia. D4 |
|---|---|---|---|---|---|---|---|---|---|---|
| 8809-0 8809 7,5-6-0 | 24,5 | 20,0 | 7,4 | 6,5 | 8809 7,5-6-0 | 6 | 1/4 | 4,5 | 7,4 | 8,5 |
| 8809-0 8809 10-6-0 | 26,5 | 20,0 | 8,5 | 7,0 | 8809 10-6-0 | 6 | 1/4 | 5,0 | 9,9 | 11,0 |
| 8809-0 8809 10-8-0 | 26,5 | 20,0 | 9,9 | 8,5 | 8809 10-8-0 | 8 | 5/16 | 5,5 | 9,9 | 11,0 |
| 8809-0 8809 12-8-0 | 26,5 | 20,0 | 10,5 | 9,0 | 8809 12-8-0 | 8 | 5/16 | 7,0 | 11,9 | 14,0 |
| 8809-0 8809 14-6-0 | 26,5 | 20,0 | 8,5 | 7,0 | 8809 14-6-0 | 6 | 1/4 | 5,0 | 13,9 | 18,0 |
| 8809-0 8809 14-8-0 | 26,5 | 20,0 | 10,5 | 9,0 | 8809 14-8-0 | 8 | 5/16 | 7,0 | 13,9 | 18,0 |
| 8809-0 8809 14-10-0 | 26,5 | 20,0 | 11,0 | 10,0 | 8809 14-10-0 | 10 | 3/8 | 8,0 | 13,9 | 18,0 |
| 8809-0 8809 16-12-0 | 27,5 | 20,0 | 12,5 | 11,0 | 8809 14-12-0 | 12 | 1/2 | 9,0 | 13,9 | 18,0 |
| 8809-0 8809 16-10-0 | 26,5 | 20,0 | 11,0 | 10,0 | 8809 16-10-0 | 10 | 3/8 | 8,0 | 15,9 | 23,0 |
| 8809-0 8809 16-12-0 | 26,5 | 20,0 | 12,5 | 11,0 | 8809 16-12-0 | 12 | 1/2 | 9,0 | 15,9 | 23,0 |
| 8809-0 8809 20-16-0 | 30,5 | 24,0 | 17,5 | 16,0 | 8809 20-16-0 | 16 | 5/8 | 13,5 | 19,9 | 23,0 |
| 8809-0 8809 22-20-0 | 40,5 | 34,0 | 22,0 | 20,0 | 8809 22-20-0 | 20 | 3/4 | 16,0 | 21,9 | 24,0 |
| 8809-0 8809 22-20-01 | 30,5 | 24,0 | 22,0 | 20,0 | 8809 22-20-01 | 20 | 3/4 | 16,0 | 21,9 | 28,0 |
| 8809-0 8809 28-25-0** | 40,5 | 34,0 | 27,0 | 25,0 | 8809 28-25-0 | 25 | 1" | 20,0 | 27,5 | 29,0 |