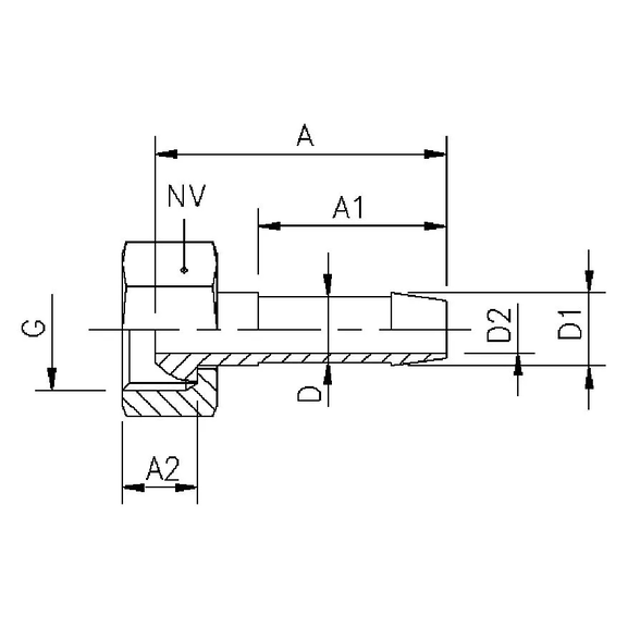
| Item number: | A | A1 | HEX | A2 | Thread G | Dia. D1 | Dia D. | Hose I.D. mm | Hose I.D. inch. | Dia. D2 |
|---|---|---|---|---|---|---|---|---|---|---|
| 8874B 1/8x3** | 23 | 16,0 | 12 | 8,0 | 1/8 | 4 | 3 | 3 | 1/8 | 2 |
| 8874B 1/8x4 | 27,0 | 20,0 | - | 8,0 | 1/8 | 6,2 | 5,0 | 4 | - | 3 |
| 8874B 1/8x6 | 26,0 | 20,0 | 12 | 8,0 | 1/8 | 7,4 | 6,5 | 6 | 1/4 | 4,5 |
| 8874B 1/4x4 | 28,0 | 20,0 | - | 8,0 | 1/4 | 6,2 | 5,0 | 4 | - | 3 |
| 8874B 1/4x6 | 28,0 | 20,0 | 16 | 8,0 | 1/4 | 7,0 | 6,0 | 5 | 3/16 | 4,0 |
| 8874B 1/4x6 | 31,0 | 20,0 | 16 | 8,0 | 1/4 | 7,9 | 7,0 | 6 | 1/4 | 5,0 |
| 8874B 1/4x8 | 28,0 | 20,0 | 15 | 8,5 | 1/4 | 9,9 | 8,5 | 8 | 5/16 | 6,5 |
| 8874B 3/8x5 | 29,0 | 20,0 | 19 | 10,0 | 3/8 | 7,0 | 6,0 | 5 | 3/16 | 4,0 |
| 8874B 3/8x6 | 29,0 | 20,0 | 19 | 10,0 | 3/8 | 8,5 | 7,0 | 6 | 1/4 | 5,0 |
| 8874B 3/8x8 | 28,0 | 20,0 | 19 | 10,0 | 3/8 | 9,9 | 8,5 | 8 | 5/16 | 6,5 |
| 8874B 3/8x10 | 29,0 | 20,0 | 19 | 10,0 | 3/8 | 11,5 | 10,0 | 10 | 3/8 | 8,0 |
| 8874B 3/8x12 | 29,0 | 20,0 | 19 | 10,0 | 3/8 | 13,0 | 12,0 | 12 | 1/2 | 10 |
| 8874B 1/2x6** | 29,0 | 20,0 | 24 | 11,0 | 1/2 | 8,5 | 7,0 | 6 | 1/4 | 5,0 |
| 8874B 1/2x8** | 29,0 | 20,0 | 24 | 11,0 | 1/2 | 10,5 | 9,0 | 8 | 5/16 | 7,0 |
| 8874B 1/2x10 | 29,0 | 20,0 | 24 | 11,0 | 1/2 | 12,5 | 11,0 | 10 | 3/8 | 9,0 |
| 8874B 1/2x12 | 30,0 | 21,0 | 24 | 11,0 | 1/2 | 13,5 | 12,0 | 12 | 1/2 | 10 |
| 8874B 3/4x12 | 32,5 | 20,0 | 32 | 13,0 | 3/4 | 14,5 | 13,0 | 12 | 1/2 | 11,0 |
| 8874B 3/4x16 | 35,0 | 24,0 | 32 | 14,0 | 3/4 | 17,5 | 16,0 | 16 | 5/8 | 13,5 |
| 8874B 3/4x20** | 35,0 | 24,0 | 32 | 14,0 | 3/4 | 22,0 | 20,0 | 20 | 3/4 | 16,0 |
| 8874B 1"x20** | 36,5 | 24,0 | 38 | 15,0 | 1" | 22,0 | 20,0 | 20 | 3/4 | 16,0 |
| 8874B 1"x25** | 47,5 | 34,0 | 38 | 15,0 | 1" | 27,0 | 25,0 | 25 | 1" | 20,0 |