130N Bulk head connector for tank (1/2")

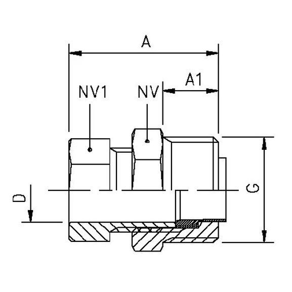
Specifications

Item number: VVS code xxx A A1 HEX B Tube O.D. D mm Thread G HEX1
130N 10x1/2 041 25,0 11,0 21 - 10 1/2 17
130N 12x1/2 042 30,0 15,0 22 - 12 1/2 17

About the product

Bulk head connector for tank.

The bulk head connector for tank is mounted with the female connector in the oil tank and the copper pipe is led through the connector. The nipple nut gets tightened as the coupling between the pipe and bulk head connector for tank is tightened.
The construction secures against galvanic corrosion.

Material:
Nipple: Messing (CuZn39Pb3)
Bushing: Plastic PE-LD (temperature -60°C to +80°C)
Nut: 8, 10 og 15 mm DIN 17660 brass (CuZn39Pb3), 12 mm plastic LEXAN 500 (temperatur -20°C to +80°C).
Thread: Pipethread G DS/ISO 228/1