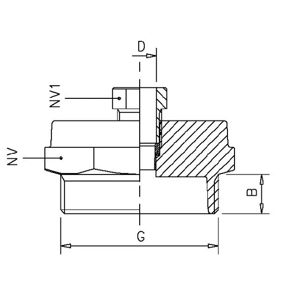
130N Bulk head connector for tank (1½" and 2")

Specifications

Item number: VVS code xxx B Tube O.D. D mm Thread G
130N 10x11/2 081 14,0 10 11/2
130N 12x11/2 082 14,0 12 11/2
130N 10x2 - - 10 2

About the product

Bulk head connector for tank.

The bulk head connector for tank is mounted with the female connector in the oil tank and the copper pipe is led through the connector. The nipple nut gets tightened as the coupling between the pipe and bulk head connector for the tank is tightened.
The construction secures against galvanic corrosion.

Material:
Nipple: Eloxeret AlMgSiPb
Bushing: Plastic PE-LD (temperature -60°C to +80°C)
Nut: 8, 10 og 15 mm DIN 17660 brass CuZn39PB3, 12 mm plastic LEXAN 500 (temperature -20°C to +80°C)
Thread: Pipethread G DS/ISO 228/1