Search
Close
Use our AI assistant
Products
Fittings
Valves
High Pressure Valves - HYDRO-BALL®
Offshore Valves, Oil & Gas
CNC machined parts
Hydrogen products
All products
About us
Quality & Services
Norms & Standards
Terms
Contact
Back
Product inquiry
Send us your request and we will get back to you shortly
Efterlad følgende felt tom
Tjekker
product inquiry
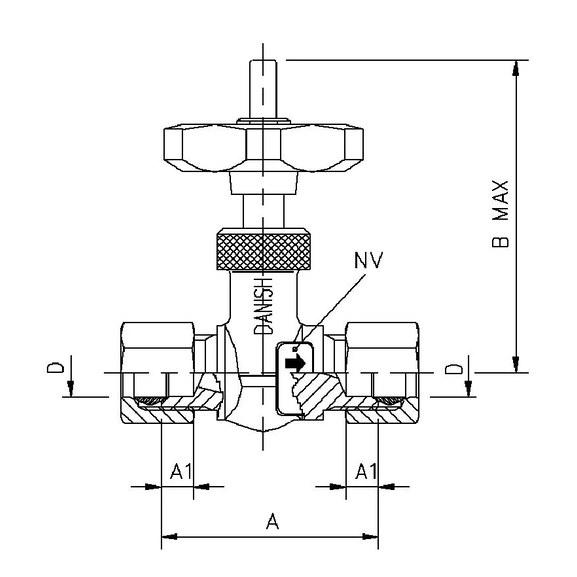
2112-282 Fuse valve for compression
Specifications
Item number:
A
A1
HEX
Tube O.D. D mm
Tube O.D. D1 mm
B max
2112-282 8x8
36
6,5
17
8
8
60
About the product
Fuse valve for compression for pipe.
Delivered with nut 194B and sleeve 60F.