Search
Close
Use our AI assistant
Products
Fittings
Valves
High Pressure Valves - HYDRO-BALL®
Offshore Valves, Oil & Gas
CNC machined parts
Hydrogen products
All products
About us
Quality & Services
Norms & Standards
Terms
Contact
Back
Product inquiry
Send us your request and we will get back to you shortly
Efterlad følgende felt tom
Tjekker
product inquiry
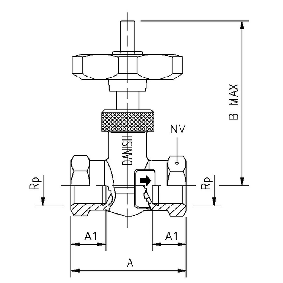
2112-8 Fuse valve
Specifications
Item number:
VVS code xxx
A
A1
HEX
Thread Rp
B max
2112-8 1/2
004
46,0
14,0
24
1/2
66
2112-8 1/4
002
35
10,6
17
1/4
60
2112-8 3/8
003
39,0
11
21
3/8
66
About the product
Fuse valve with female pipe thread.