Search
Close
Use our AI assistant
Products
Fittings
Valves
High Pressure Valves - HYDRO-BALL®
Offshore Valves, Oil & Gas
CNC machined parts
Hydrogen products
All products
About us
Quality & Services
Norms & Standards
Terms
Contact
Back
Product inquiry
Send us your request and we will get back to you shortly
Efterlad følgende felt tom
Tjekker
product inquiry
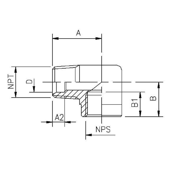
116B Elbow with NPT thread
Specifications
Item number:
A
A2
Thread NPT
B
B1
Tube O.D. D mm
Thread NPS
116B 1/8x1/8N
19
10,0
1/8N
13,0
10,0
5
1/8
About the product
Elbow with NPT thread in borth ends.