Search
Close
Use our AI assistant
Products
Fittings
Valves
High Pressure Valves - HYDRO-BALL®
Offshore Valves, Oil & Gas
CNC machined parts
Hydrogen products
All products
About us
Quality & Services
Norms & Standards
Terms
Contact
Back
Product inquiry
Send us your request and we will get back to you shortly
Efterlad følgende felt tom
Tjekker
product inquiry
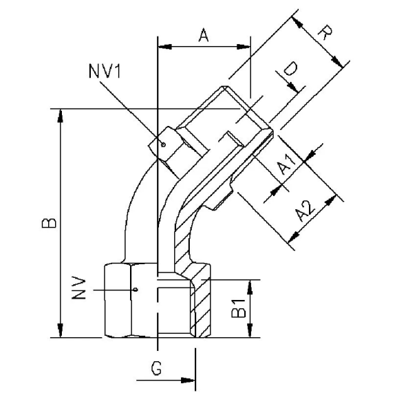
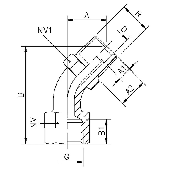
117B Elbow 45 °
Specifications
Item number:
A
A1
HEX
A2
B
B1
Tube O.D. D mm
Thread G
HEX1
117B 1/4x1/4
19,0
5,5
16
12,0
40,0
10,0
8
1/4
14
About the product
Elbow 45° with parallel female thread and male thread.