Search
Close
Use our AI assistant
Products
Fittings
Valves
High Pressure Valves - HYDRO-BALL®
Offshore Valves, Oil & Gas
CNC machined parts
Hydrogen products
All products
About us
Quality & Services
Norms & Standards
Terms
Contact
Back
Product inquiry
Send us your request and we will get back to you shortly
Efterlad følgende felt tom
Tjekker
product inquiry
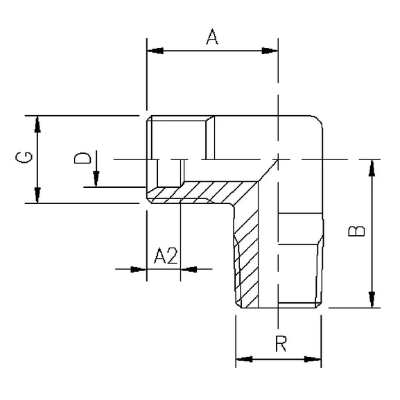
285B Elbow
Specifications
Item number:
VVS code xxx
A
Thread R
A2
B
Tube O.D. D mm
Thread G
285B 1/8x1/8
701
17,3
1/8
5,0
22,8
5
1/8
285B 1/4x1/4
702
19,0
1/4
5,0
21,5
8
1/4
285B 3/8x3/8
703
22,5
3/8
6,5
24,5
10
3/8
About the product
Elbow with male parallel pipe thread in one end and a female pipe thread in the other end.