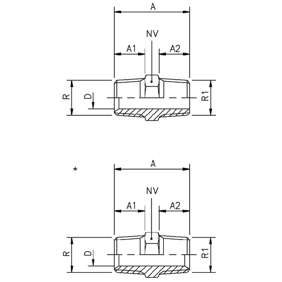
| Item number: | A | A1 | Thread R | A2 | Tube O.D. D mm | Thread R1 | VVS- code 048245 |
|---|---|---|---|---|---|---|---|
| 206B 1/8x1/2** | 32,5 | 10,0 | 1/8 | - | 6 | 1/2 | - |
| 206B 1/8x1/4 | 26,0 | 11,0 | 1/8 | 10,0 | 6 | 1/4 | 720 |
| 206B 1/8x3/8 | 29,0 | 10,0 | 1/8 | 13,0 | 6 | 3/8 | 721 |
| 206B 1/8x1/8 | 25,0 | 10,0 | 1/8 | 10,0 | 6 | 1/8 | - |
| 206B 1/4x3/8 | 30,0 | 11,0 | 1/4 | 13,0 | 8 | 3/8 | 722 |
| 206B 1/4x1/2 | 33,5 | 11,0 | 1/4 | 16,0 | 8 | 1/2 | 725 |
| 206B 1/4x1/4 | 27,0 | 11,0 | 1/4* | 11,0 | 8 | 1/4 | - |
| 206B 3/8x1/2 | 35,5 | 13,0 | 3/8 | 16,0 | 10 | 1/2 | 726 |
| 206B 3/8x3/8 | 32,0 | 13.0 | 3/8 | 13,0 | 10 | 3/8 | - |
| 206B 1/2x1 | 45.5 | 16,0 | 1/2 | - | 13 | 1 | - |
| 206B 1/2x1/2 | 38,5 | 16,0 | 1/2 | 16,0 | 13 | 1/2 | - |
| 206B 1/2x3/4 | 39,0 | 16,0 | 1/2 | 16,0 | 14 | 3/4 | 733 |
| 206B 3/4x3/4 | 39,0 | 16,0 | 3/4 | 16,0 | 19 | 3/4 | - |