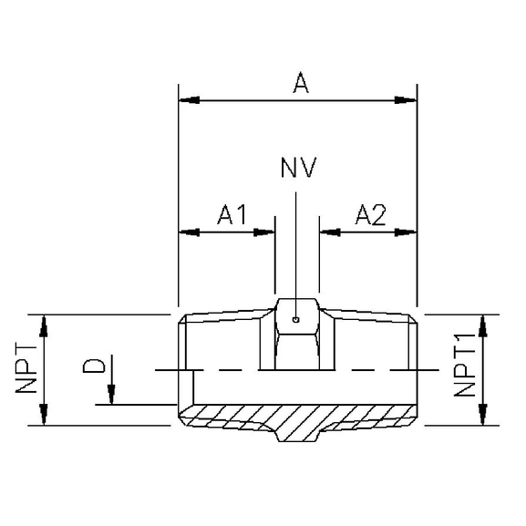
206B Nipple with NPT thread both ends

Specifications

Item number: A A1 HEX A2 Thread NPT Tube O.D. D mm Thread NPT1
206B 1/8x1/4N** 26,0 11 14 10,0 1/8 6 1/4N
206B 1/8x1/8N** 25,0 11,0 14 10,0 1/8 6 1/8N
206B 1/8x3/8N 30,0 11,0 17 13,0 1/8 6 3/8N
206B 1/4x1/4N 27,0 11,0 14 11,0 1/4 8 1/4N
206B 1/2x1/2N** 38,5 16,0 22 16,0 1/2 13 1/2N

About the product

Nipple with pipe thread in one end and NPT thread in the other end.

** On request.