Search
Close
Use our AI assistant
Products
Fittings
Valves
High Pressure Valves - HYDRO-BALL®
Offshore Valves, Oil & Gas
CNC machined parts
Hydrogen products
All products
About us
Quality & Services
Norms & Standards
Terms
Contact
Back
Product inquiry
Send us your request and we will get back to you shortly
Efterlad følgende felt tom
Tjekker
product inquiry
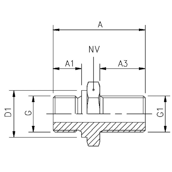
281B Nipple
Specifications
Item number:
A
A1
HEX
A3
Thread G
D1
Thread G1
281B 1/8x1/4**
30,5
7,4
14
17,5
1/8
13
1/4
281B 1/4x1/4
35,5
11,0
19
17,5
1/4
18
1/4
281B 3/8x3/8
40,0
11,4
24
20,0
3/8
22
3/8
About the product
Extra long nipple with parallel pipe thread in both ends.
** On request.