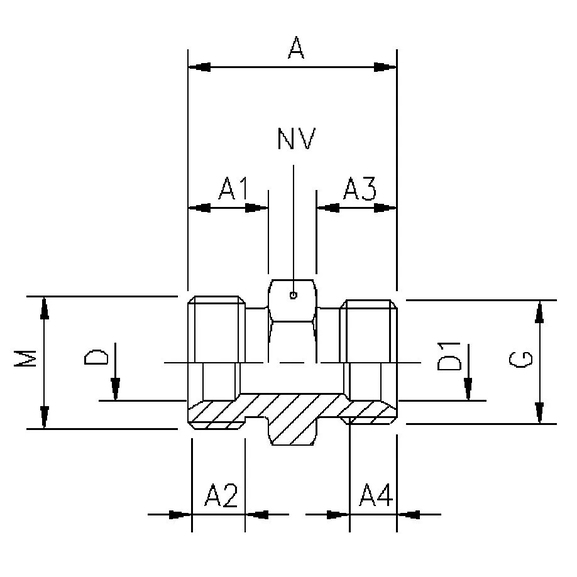
| Item number: | A | A1 | HEX | A2 | Tube O.D. D mm | Tube O.D. D1 mm | A3 | A4 | Metric thread M | Thread G |
|---|---|---|---|---|---|---|---|---|---|---|
| 282MB 10x1x1/8 | 21 | 8,0 | 12 | 5,0 | 5 | 5 | 8,0 | 5,0 | 10x1 | 1/8 |
| 282MB 12x1,5x1/4 | 22,0 | 8,5 | 15 | 6,0 | 6 | 8 | 8,5 | 5,0 | 12x1,5 | 1/4 |
| 282MB 14x1,5x1/4 | 22,0 | 8,5 | 16 | 5,0 | 8 | 8 | 8,5 | 5,0 | 14x1,5 | 1/4 |
| 282MB 16x1,5x3/8 | 25,5 | 10,0 | 19 | 6,5 | 10 | 10 | 10,0 | 6,5 | 16x1,5 | 3/8 |
| 282MB 18x1,5x1/2 | 29,0 | 10,5 | 23 | 8,0 | 12 | 14 | 12,0 | 7,0 | 18x1,5 | 1/2 |
| 282MB 22x1,5x1/2 | 30,5 | 12,0 | 24 | 8,0 | 14 | 14 | 12,0 | 8,0 | 22x1,5 | 1/2 |