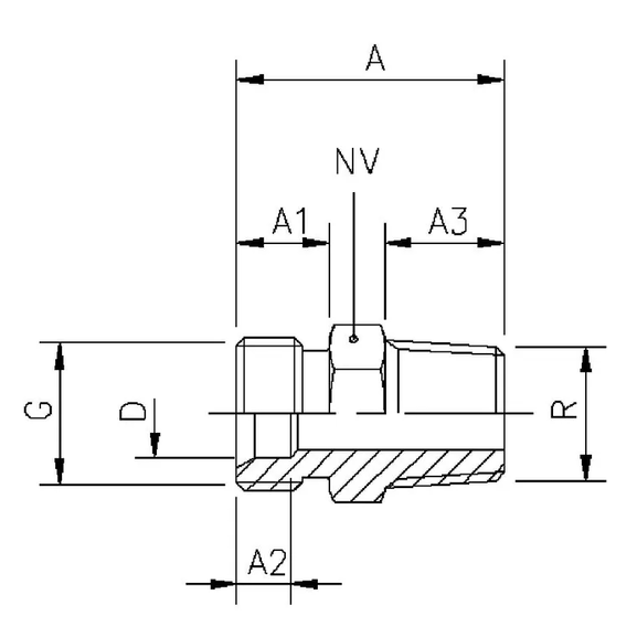
| Item number: | VVS code xxx | A | A1 | HEX | Thread R | A2 | Tube O.D. D mm | A3 | Thread G |
|---|---|---|---|---|---|---|---|---|---|
| 283B 1/8x1/8 | - | 23,0 | 8,0 | - | 1/8 | 5,0 | 5 | 10,0 | 1/8 |
| 283B 1/8x1/4 | - | 24,0 | 8,0 | - | 1/4 | 5,0 | 5 | 11,0 | 1/8 |
| 283B 1/4x1/8 | - | 23,5 | 8,5 | - | 1/8 | 5,0 | 8 | 10,0 | 1/4 |
| 283B 1/4x1/4 | 122 | 24,5 | 8,5 | 14 | 1/4 | 5,0 | 8 | 11,0 | 1/4 |
| 283B 1/4x3/8 | 123 | 27,5 | 8,5 | 17 | 3/8 | 5,0 | 8 | 13,0 | 1/4 |
| 283B 1/4x1/2 | 125 | 31,0 | 8,5 | 21 | 1/2 | 5,0 | 8 | 16,0 | 1/4 |
| 283B 3/8x3/8 | - | 29,0 | 10,0 | - | 3/8 | 6,5 | 10 | 13,0 | 3/8 |
| 283B 3/8x1/2 | - | 32,5 | 10,0 | - | 1/2 | 6,5 | 10 | 16,0 | 3/8 |
| 283B 1/2x1/2** | 134 | 34,5 | 12,0 | 21 | 1/2 | 8,0 | 15 | 16,0 | 1/2 |
| 283B 1/2x3/4** | - | 35,0 | 12,0 | - | 3/4 | 8,0 | 15 | 16,0 | 1/2 |
| 283B 3/4x3/4 | - | 36,0 | 13.0 | - | 3/4 | 9,0 | 20 | 16,0 | 3/4 |
| 283B 3/4x1** | - | 42,0 | 13.0 | - | 1 | 9,0 | 20 | 20,0 | 3/4 |
| 283B 1x1 | - | 44,0 | 15,0 | - | 1 | 12,0 | 28 | 20,0 | 1 |
Nipple with parallel thread with female sleeve at one end and pipe thread at the other end.
** NOT standard. On request, only. Please send an RFQ for price and delivery.