Search
Close
Use our AI assistant
Products
Fittings
Valves
High Pressure Valves - HYDRO-BALL®
Offshore Valves, Oil & Gas
CNC machined parts
Hydrogen products
All products
About us
Quality & Services
Norms & Standards
Terms
Contact
Back
Product inquiry
Send us your request and we will get back to you shortly
Efterlad følgende felt tom
Tjekker
product inquiry
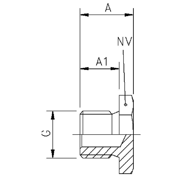
106B Plug
Specifications
Item number:
VVS code xxx
A
A1
HEX
Thread G
106B 1/8
701
11,0
7,0
12
1/8
106B 1/4
702
15,0
11,0
19
1/4
106B 3/8
703
16,4
11,4
24
3/8
106B 11/4
-
26,0
19,0
-
11/4
106B 1/2
704
19,5
14,5
27
1/2
106B 3/4
706
16,0
10,0
30
3/4
106B 1
-
25,0
19,0
-
1
About the product
Plug with parallel pipe thread.
The plug is hollow and used together with the gasket.