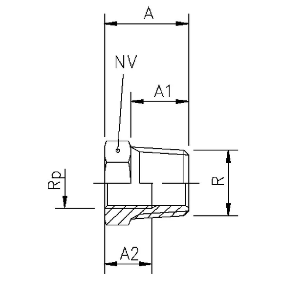
| Item number: | VVS code xxx | A | A1 | HEX | Thread R | A2 | Thread Rp |
|---|---|---|---|---|---|---|---|
| 110B 1/8x1/4 | 720 | 16 | 11,0 | 14 | 1/4 | 5,0 | 1/8 |
| 110B 1/8x3/8 | 721 | 19 | 13,0 | 17 | 3/8 | 6,0 | 1/8 |
| 110B 1/8x1/2 | 724 | 23 | 16,0 | 21 | 1/2 | 6,5 | 1/8 |
| 110B 1/4x3/8 | 722 | 19 | 13.0 | 17 | 3/8 | 6,0 | 1/4 |
| 110B 1/4x1/2 | 725 | 22,5 | 16,0 | 21 | 1/2 | 6,5 | 1/4 |
| 110B 3/8x1/2 | 726 | 23 | 16,0 | 21 | 1/2 | 6,5 | 3/8 |
| 110B 3/8x3/4 | 732 | 23 | 16,3 | 27 | 3/4 | 6,7 | 3/8 |
| 110B 1/2x3/4 | 733 | 23 | 16,0 | 27 | 3/4 | 7,0 | 1/2 |
Reducer with parallel pipe thread in one end and pipe thread in the other end.