Search
Close
Use our AI assistant
Products
Fittings
Valves
High Pressure Valves - HYDRO-BALL®
Offshore Valves, Oil & Gas
CNC machined parts
Hydrogen products
All products
About us
Quality & Services
Norms & Standards
Terms
Contact
Back
Product inquiry
Send us your request and we will get back to you shortly
Efterlad følgende felt tom
Tjekker
product inquiry
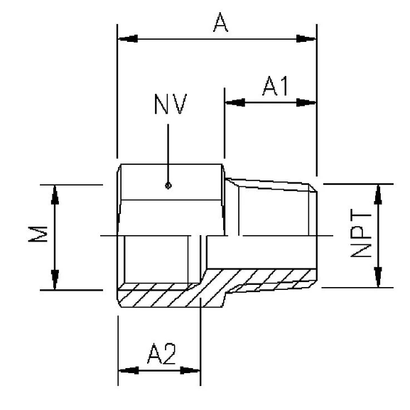
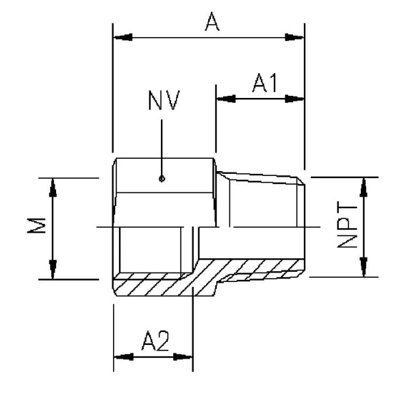
120MB Reducer
Specifications
Item number:
A
A1
HEX
A2
Thread NPT
Metric thread M
120MB 12x1,5x1/4N
25,0
12,0
16
11,5
1/4N
12x1,5
About the product
Reducer with female metric pipe thread and male NPT thread.