Search
Close
Use our AI assistant
Products
Fittings
Valves
High Pressure Valves - HYDRO-BALL®
Offshore Valves, Oil & Gas
CNC machined parts
Hydrogen products
All products
About us
Quality & Services
Norms & Standards
Terms
Contact
Back
Product inquiry
Send us your request and we will get back to you shortly
Efterlad følgende felt tom
Tjekker
product inquiry
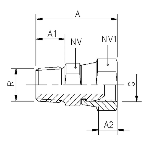
121B Swivel
Specifications
Item number:
A
A1
HEX
Thread R
A2
Thread G
HEX1
121B 1/4x1/4
31,0
11,0
14
1/4
8,0
1/4
17
121B 3/8x3/8
36,5
13.0
17
3/8
10,0
3/8
21
121B 1/2x1/2
42,5
16,0
22
1/2
12,0
1/2
26
About the product
Swivel with female parallel pipe thread and male pipe thread.