Search
Close
Use our AI assistant
Products
Fittings
Valves
High Pressure Valves - HYDRO-BALL®
Offshore Valves, Oil & Gas
CNC machined parts
Hydrogen products
All products
About us
Quality & Services
Norms & Standards
Terms
Contact
Back
Product inquiry
Send us your request and we will get back to you shortly
Efterlad følgende felt tom
Tjekker
product inquiry
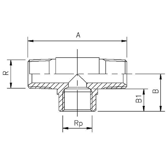
157B Tee
Specifications
Item number:
VVS code xxx
A
Thread R
Thread Rp
B
B1
157B 1/8x1/8
701
34,0
1/8
1/8
12,0
7,0
157B 1/4x1/4
702
40,5
1/4
1/4
18,0
10,0
157B 3/8x3/8
703
46,0
3/8
3/8
20,0
11,0
About the product
Tee with male horizontal pipe thread and female vertical parallel pipe thread.