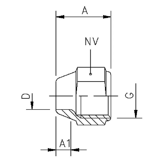
| Item number: | Tube O.D. D mm/inch. | A | A1 | HEX | Thread G |
|---|---|---|---|---|---|
| 161B 5x1/8** | 5 (3/16) | 15,0 | 4,7 | 13 | 1/8 |
| 161B 6x1/8** | 6 (1/4) | 15,0 | 4,6 | 13 | 1/8 |
| 161B 6x1/4** | 6 (1/4) | 15,0 | 3,6 | 15 | 1/4 |
| 161B 8x1/4** | 8 (5/16) | 15,0 | 3,2 | 15 | 1/4 |
| 161B 11x3/8** | 11 | 18,0 | 6,0 | 19 | 3/8 |
| 161B 10x3/8** | 10 (3/8) | 18,0 | 5,2 | 19 | 3/8 |
| 161B 12x3/8** | 12 (1/2) | 18,0 | 5,8 | 19 | 3/8 |
| 161B 13x1/2** | 13 | 22,0 | 8,0 | 24 | 1/2 |
| 161B 14x1/2** | 14 | 22,0 | 7,9 | 24 | 1/2 |
| 161B 12x1/2** | 12 (1/2) | 22,0 | 7,2 | 24 | 1/2 |
| 161B 15x1/2** | 15 | 22,0 | 7,6 | 24 | 1/2 |
| 161B 16x1/2** | 16 (5/8) | 22,0 | 8,2 | 24 | 1/2 |